Päättötyöprojekti - MP3 jukebox stereoihin.

Päivitetty: 08.04.2003 klo 21.25

Antti Saarenpää, Pohjoispohjanmaan Ammattioppilaitos (PAO),  Luokka:  tit3m

Kirjoitellaan tähän ikuisuusprojektin etenemisestä tai taantumisesta. Pitäisi kuitenkin saada valmiiksi
toukokuun loppuun 2003 mennessä. Päivittelen näitä sivuja sitä mukaa kun jotain edistystä tapahtuu.

Ajatus PC-pohjaisesta MP3- soittimesta muhi päässä jo viime vuonna. En nähnyt mitään
järkeä tilata jotakin rakennussarjaa esim. vilkkuvasta LED-joulukuusesta.
Siispä päätin tehdä päättötyön johon installoin PC-tietokoneen vaikka väkisin, koska sen rakenteen
hallitsen ja sitä haluan räpeltää. Netistä löytyi paljon vastaavia mp3-projekteja ja olipa joku PAO:nkin
oppilas näköjään tehnyt päättötyön samasta aiheesta aikaisemmin.
Joten minäkin teen nyt myös semmoisen, mutta paljon paremman ja äärimmäisen halvalla...

Mahdollisia kuvia projektista lisätään myöhemmin jos ja kun on jotain näytettävää.

Ensisijaiset tavoitteet:
    - Tarvittavan pc-alustan ym. komponentit hankittava mahdollisimman halvalla.
    - Ohjelmisto saatava soittamaan mp3-kappaleet ilman häiriöitä.
    - Laitteen etupaneelissa toimintaa ohjaavat näppäimet rakennettava ja saatava toimimaan.
    - Etupaneeliin LCD-näyttö josta näkyy kulloinkin soiva piisi ja mahd. kesto ym. info.

Toissijaiset tavoitteet:
    - Laitteen ulkonäkö saatava "ei tietokonemaiseksi", eli sovittava stereoiden sekaan.
    - Laitteen ohjaaminen infrapunakauko-ohjaimella sohvalta käsin.
 

26.8.2002  - Aloitus - Laitekotelon valmistelut ja osien haaliminen.

Alkuperäinen idea rakentaa laite matalaan Slim-line koteloon eli ns. pizzalaatikkoon päätettiin priorisoida
myöhempään tulevaisuuteen mm. ISA-korttien 90-asteen kulmasovittimien puuttumisen vuoksi.
Lisäksi matalaa pizzaboksia on näköjään vaikea löytää halvalla (ilmaiseksi). Alkuun hylätään idea rakentaa itse
halutun mallinen kotelo ja 90-asteen ISA-sovittimet. Asiaa mietitään myöhemmin, nyt kokeillaan perustarvikkeilla.
Tästä syystä laitekoteloksi valitaan toistaiseksi stereoräkkiin vähän isokokoinen AT-tyyppinen vaakatason
pöytäkotelo jonka lahjoitti Laitisen Janne. Kotelomalli oli yleisesti käytössä 15 vuoden takaisissa 386 ja 486 PC-koneissa.
Vastaavia löytyy kierrätyskeskuksista lähes ilmaiseksi. Kotelossa on 3 kpl 5½ tuuman laitepaikkaa jonka etulevyyn LCD-näytön
kiinnitäminen onnistuu. Kotelon mitat: korkeus 18 cm, leveys 39 cm ja syvyys 41 cm.

Kotelon alkuperäiset 386-emolevy ja kaikki oheiskomponentit poistetaan ja hävitetään asianmukaisesti.
Kotelo puhdistetaan pölystä perusteellisesti.
Vanha 386:sen heikkotehoinen virtalähde poistetaan ja tilalle asetetaan kierrätyskeskuksen Lanya 230W joka antaa
pentium-tasoiselle emolevylle riittävän tehon.  Vanhan kotelon ja uudemman virtalähteen katkaisijat eivät ole yhteensopivia joten
uudeen vitalähteen katkaisijajohtoihin on lisättävä sopivat abiko-liittimet jotta vanhaan katkaisijaan
yhdistäminen on mahdollista. Liittimet suojataan kutistesukalla oikosulkujen minimoimiseksi.

27.8.2002   pc-alustan kokoonpano, käynnistys, käyttöjärjestelmän ja ohjelmiston asennus ja testaus.

Koteloon istutetaan ensiksi QDI explorer IV emolevy johon on valmiiksi kiinnitetty 200MHz AMD K-6 prosessori
mahdollisesti tarvittavan siili/tuuletin-yhdistelmän kanssa. Lisäksi emoon asennetaan 32 MB edo-simm muistit.
Emolevy asennetaan ennen virtalähdettä paremman työskentelytilan saamiseksi. Virtalähde tulee asennuksen
jälkeen muistikampojen eteen joka vaikeuttaa niiden vaihtamista myöhemmin.
Koneeseen kiinnitetään Maxtor 120Mb kovalevy, ISA-väyläiset Sounblaster 16 äänikortti ja testikäyttöä varten
aataminaikuinen Trident-VGA-ohjain. Vaikka valmiiseen laitteeseen ei tule monitoria on näytönohjain kuitenkin
yleensä oltava paikoillaan tai kone ei käynnisty vaan tyssää virheilmoitukseen. Monitori on kuitenkin
välttämätön alkuvaiheiden säätöjä kokeillessa.
Vanha creativen 2x cd-asema hylätään suosiolla ja CD-aseman virkaa asetetaan
toimittamaan 3 vuotta vanha multiread Hewlett-Packard-8100 poltettujen ceedeitten lukemisen varmistamiseksi.
Kytketään testikäyttöä varten näppäimistö, monitori ja diskettiasema. Käynnistetään kone ensimmäisen kerran.
Tarkistetaan tuulettimen pyörintä ja emolevyn merkkivalojen toiminta. Todetaan että kaikki toimii kuten pitääkin.

Kovalevylle asennetaan käyttöjärjestelmäksi DOS 6.22. Syy siihen on että DOS käynnistyy nopeammin.
DOS lisäksi vaatii vähemmän laiteresursseja ja kaatuilee harvemmin kuin esim. Windows 95/98.
Huonoina puolina DOSissa on pitkien tiedostonimien tuen puute ja max. 2 GB kovalevyosiot. Asennetaan
sounblasterin ajurit ja testataan äänien kuuluvuus kärkkäisen linnunpöntöillä.  Asennetaan cd-asemalle ajurit.
Creativen ajurit toimivat myös HP:ssa ja cd-asema toimii mukisematta.

Osoitteesta http://www.geocities.com/mpxplay/ haetaan dossissa toimiva MPXPLAY versio 1.46 for DOSjoka soveltuu
monipuolisten säätöparametriensä puolesta tarkoitukseen oivallisesti. Lisäksi ohjelmassa luvataan
ohjaustuki 2x20 LCD-näytölle LPT-portin kautta. Mahdollista olisi ehkä myös kaukosäätimellä ohjaaminen
sarjaporttiin kytketyn infrapunavastaanottimen kautta mutta tarvittava remotecontrol-softa DOSille toistaiseksi puuttuu.

Editoidaan kovalevyllä C:/ aseman juuressa olevaan autoexec.bat -tiedostoon: CALL mpxplay.exe -ds d *.mp3
Kyseinen parametri käynnistää soittosoftan koneen käynnistämisen yhteydessä ja lataa soittolistaan kaikki
D:llä (cd-asema) olevat mp3-kappaleet. (mpxplay readme.txt). Kokeilua varten on toisella koneella poltettu
5 cd:tä täyteen mp3-piisejä. Yhdelle levylle menee keskimäärin 200 kappaletta, eli 650 Megaisesta CD:stä riittää
musiikkia n. 10 tuntia.
Testataan ja ohjelma alkaa soittamaan kappaleta mutta todetaan että mitään ei kuulu.
Epäilykset osoittavat AMD-prosessorin heikkoon optimointiin sillä ohjelma näyttää CPU:n käyttöasteeksi 269%.
Tutkitaan myös toimiiko jäähdytys kunnolla. Se toimii niinkuin pitääkin. Siili ei polta näppejä.
Resetoidaan konetta muutaman kerran ja ääntä alkaakin kuulumaan. CPU on 14% joka vaikuttaa normaalilta.

Testataan hakemistojen ja kappaleiden selaustoimintoja näppäimistöltä jotka toimivat kohtuullisesti.
Musiikin kuuluminen loppuu yhtäkkiä, mutta ohjelma ikäänkuin kuitenkin jatkaa soittamista. Tutkimukset jatkuvat.
Mahdollisuus on myös vialisessa äänikortissa. Kokeillaan toisella äänikortilla, Avance Logic SB-kloonilla.
Laite toimii nyt muuten ok, mutta äänet napsuu ja pätkii. Kokeillaan taas uudella äänikortilla EXPERTMEDIA 2000
SB pro-kloonilla. Sama vika toistui. Ja en voi uskoa että kaikissa äänikortissa olisi vikaa. Vian on siis oltava prosessorissa tai
ohjelmistossa. Tutkitaan ensin (mpxplay readme.txt ) ohjeistuksia ja kokeillaan -bp parametria joka esibufferoi
soitettavaa kappaletta keskusmuistiin. Nyt kappaleet soivat pätkimättä. Siis cd:ltä soitettaessa ei bittivirta ollut saumatonta
ja äänet sen vuoksi katkoi. Kokeiltiin myös -bl parametriä joka lataa koko kappaleen muistiin ennen soittoa mutta asetus
hylättiin, koska kappaleiden välissä kului kohtuuttomasti aikaa. Kovalevyltä piisit soivat katkomatta myös ilman esibufferointia.
Mutta kovalevyn ollessa vain mitätön 120 Megainen, ei siihen montaa piisiä sovi joten soitto on saatava toimimaan
cd:ltä kunnolla tai koko hommassa ei ole mitään järkeä.
Prosessoria ei kuitenkaan onneksi tarvinne alkaa vaihtamaan.

Näppäinkomennot mp3-kappaleiden ja hakemistojen hallintaan eivät olleet toivotunlaiset. Valmiin laitteen etupaneeliin ei ole
tarkoitus liimata kokonaista PC-näppistä, joten on pohdittava etupaneelin tulevia välttämättömiä ohjausnappeja.
Niiden muuttamiseksi helpommiksi on alettava tutkimaan ja konffaamaan ohjelmassa olevaa mpxplay.ini -tiedostoa.
Näppäin-commandien muuttaminen on ilmeisesti mahdollista tiedostoa twiikkaamalla. On vain tiedettävä jokaisen
näppäinyhdestelmän hexakoodi (keycodes.lst). Tiedostoa ei vielä editoida koska ei vielä ole päätetty mitkä näppäimet
etupaneeliin tulee.
 

28.8.2002  Hajoitamme näppäimistön atomeiksi.

Avataan vanha kunnon "made in usa" Keytronic-näppäimistö 80-luvun lopulta ja tutkitaan sen sisälmyksiä josko se soveltuisi
modifioitavaksi ohjausnäppäimiksi etupaneeliin. Tämä on selvästi vankkaa tekoa ja tehty kestämään kovaa käyttöä.
Toisin kuin nykyajan muoviklittanoissa näppäimet ovat kiinni paksussa metallilevyssä, ohjauspiiri erillisellä kortilla
ja johtimet näppäimille toteutettu muovikalvossa kulkevilla 2-puoleisilla täpeillä. Taustalevynä on toinen peltilevy joka
toimii maadoituksena. Näppäimistö painaa tonnin, mutta aion kaventaa sitä radikaalisti.

Soitto-ohjelman riittävään ohjailuun päätettiin tarvittavan 10 näppäintä joiden toiminnot ovat seuraavat:
1. kappaleen haku eteen (next track)
2. kappaleen haku taakse (previous track)
3. hakemiston/esittäjän haku eteen (next directory)
4. hakemiston/esittäjän haku taakse (previouss directory)
5. Skannaa levyt uudestaan esim. cd:n vaihdon yhteyessä. (reload)
6. Play (aloittaa soiton kappaleen alusta)
7. Pause/Resume
8. Satunnaissoitto (random-play)
9. Pikakelaus eteen (Fast forward)
10. Pikakelaus taakse (fast rewind)

Otetaan seuraavksi vaan reteesti rautasaha kouraan ja osioidaan näppäimistö palasiksi. Kipinät lentelee, hiki virtaa ja
voimasanoja käytetään. Hullun hommaa. Onneksi naapurit eivät näe.
Piirilevyn virkaa toimittavaa muovikalvoa ja näppäimien hattuja ei saa vahingoittaa joten ne on poistettava ennen amputointia.
Näppäimistöltä irroitettiin varsinaisten perusnäppäinten ja oikealla olevien numeronäppäimien välissä olevat
nuolinäppäimet ja niiden yläpuolella olevat del, end ,pgdown, pgup, home ja insert.
Näissä on sopivasti 10 näppäintä valmiissa paketissa joten niiden erottaminen etupaneeliin liitettäväksi luulisi olevan
helpointa. Lisäksi mpxplay.ini sallii näiden näppäinkomentojen modifioimisen.
Vielä on päättämättä mikä näppäin vastaa mitäkin komentoa.
 

29.8.2002  Näppäin koodien modifiointia.

Tutkitaan ankarasti .ini -tiedostoa ja suunnitellaan paperilla piirrellen näppäintoimintojen sijoitusta.
Toistaiseksi päädyttiin sellaiseen näppäinkombinaatioon jossa neljällä nuolinäppäimillä liikutaan
kappalehakemistoissa ja kuudella muulla säädellään toimintoja seuraavasti: (Perässä näppäimen hexa-koodi.)

INSERT = skannaa levyn uudestaan    0x52E0
HOME = play-nappi     0x47E0
PAGE UP = random-play  0x49E0
DEL = pikakelaus taakse  0x53E0
END = Pause/resume    0x4FE0
PG DOWN = pikakelaus eteen  0x51E0
NUOLI YLÖS = Seuraava hakemisto 0x48E0
NUOLI ALAS = edellinen hakemisto 0x50E0
NUOLI VASEN = ed. kappale  0x4BE0
NUOLI OIKEA = seuraava kappale 0x4DE0

.ini tiedoston editointi onnistui lähes kivuttomasti dosin edit-commandilla.
Näppäinkoodeja muutettaessa on huomioitava että kahdella toiminnolla ei saa olla samaa koodia.
Tarpeettomia tai päällekkäisiä toimintoja voi disabloida muuttamalla koodin arvoon 0x0000.
Käyttöa kokeillessa todettiin että play-nappi on käytännössä turha. Soitto alkaa automaattisesti
alusta levyn ladattua ja kappaleen hakujen jälkeen. Ainoastaan mikäli halutaan soittaa soiva
kappale uudestaan alusta, siihen toimii play-nappi.
 

18.9.2002  Sahailua

Sahataan näppäimistöpellit loppulliseen muotoonsa. Alempaan metallilevyyn väännellään maadoitusjohdolle
paikka. Tehdään jatkokappale maadoituspiuhaan. Testataan että nappulat yhä toimivat ja palautuvat ylös normaalisti.
Kytketään tynkänäppis koneeseen ja käynnistetään ja ollaan tyytyväisiä kun näppäimet jopa yhä tottelevat
komentoja.
Seuraavaksi mietitään mitä piirilevy-kalvohässäkälle tehdään koska siinä on vielä kaikkien
näppäinten täpit paikoillaan. Kalvoa ei voi suoraan leikata sopivan kokoiseksi koska mahdollisuus että käynnistys
tyssää "keyboard erroriin" on ilmeinen. Joten kalvo on leikattava ja liitettävä tarvittavat hyppylangat tai taivuteltava
kaksinkerroin jolloin se mahtuu näppäimille varattuun tilaan. Haittana voi olla näppäimistön viemän tilan kasvu
liian suureksi.
 

23.9.2002  Takapakkia

Näppis-systeemi lakkasi toimimasta joten homma menee uusiksi. Ilmeisesti jokin täpeistä aiheutti haamutoimintaa ja
ohjelma alkoi sekoilemaan. Lopulta näppäimet eivät vastanneet ollenkaan. Jotain meni rikki ja vikaa ei
aleta nyt etsimään ja korjailemaan vaan tehdään suosiolla uusi. Näppäimistöjä revittäväksi maailmassa onnneksi riittää.

24.9.2002  Eikun uusiksi vaan...

Hajotetaan toinen keytronic. Pokasaha käteen vaan. Homma on helpompi koska näppäimet ovat tässä
mallissa muovilevyllä. Yritetään olla varovaisempi että muovikalvoa ei vahingoiteta. Lisätään
kalvojen väliin paperiarkin palaset estämään epätoivottuja haamunäppäimiä aiheuttamasta sekoilua.
Varotaan myös rikkomasta mikropiiriä.
Mukavan ulkonäon ollessa toissijainen tavoite, ohjausnäppäimistö voi näyttää vähän karulta mutta
varma toiminta on nyt toistaiseksi pääasia.
 

15.10.2002  Etupaneelia revitään...

Näppäimet päätettiinkin asentaa vaakatasoon koska pystyasennus olisi vaatinut myös toimettoman
turbo-nappulan tuhoamista ja reset nappulakin olisi ollut vaaravyöhykkeellä. Lisäksi näppäimistössä
mukana roikkuvat täppifolion ja piirilevyn sijoitus helpottuu.
Joo...tehdään reikä konekotelon etupaneeliin johon mountataan näppis kiinni. Tempastaan rälläkällä
metallikehikosta liiat pois. Samalla silvotaan muovinen etupaneeli. Sotku on valtava ja jälki
kammoittavaa. Viimeistellään rautashalla ja viilalla ja toivotaan parasta.
Näppäimistön din-kaapeli on lisäksi mennyt hukkaan.
 

5.11.2002  Lisää ongelmia ja ratkaisuja.

Näppäimistön kaapeli löytyi. Kokeillaan sovitella näppäimiä etupaneeliin.
Juolan Raimolta löytyi edullisesti 2x20 rivinen HD 44780-piirin LCD-paneeli.
Paneelissa ei tosin ole taustavalaistusta. Tutkitaan laitteen ominaisuuksia ja mietitään miten siitä
saisi näkymään tekstiä LPT-portin kautta.
Lisäksi havaitaan että kaikki poltetut CD:t eivät toimi kunnolla softassa. Vika on mahdollisesti
Windowsin käyttämässä Joliet-tiedostorakenteessa tai pitkissä tiedostonimissä. Yksi uusi probleema
selvitettävien asioiden loputtomalle listalle.
Mp3-piisien tagit on myös syytä tehdä kunnolla, koska softa ilmeisesti lukee piisien tiedot niistä.
Kokeillaan siihen Windowsissa toimivaa MP3 FileEditor -ohjelmaa.
 

11.11.2002 istutetaan nappulat etupaneeliin

Näppäimet istutetaan etupaneeliin leikattuun aukkoon. Viilaillaan ja sahaillaan ja haetaan
oikeaa muotoa. Jotain hämminkiä ilmenee kun pikakelaus on päällä koko ajan.
Joku täppi on oikosulussa kun kalvolle ja piirilevylle on tilaa niukasti.
Vika poistuu napakalla nyrkiniskulla kotelon kanteen.
Ulkonäkö on karu mutta viimeistelyä mietitään myöhemmin.
 

15.11.2002

Muutetaan .ini-tiedostosta näppäinten toiminta oheisen kuvan mukaiseksi:
näppäinjärjestys
 
 

25.02.2003  Lcd-näyttöä etsimässä.

Ei ole jaksanut oikein tehdä mitään, koko homma on ahistanut. Pakko kuitenkin jatkaa...
Alkuperäinen lcd-näyttö menee vaihtoon. Juotettaessa piuhoja kiinni tulee virhe ja irroitettaessa
täppi lähtee kävelemään. Koko laite joutaa roskiin.
Salomäen Heikiltä saadaan uusi lcd-näyttö kooltaan 2x16 riviä. Myös ilman taustavaloa.
Nyt toimitaan viisaammin ja juotetaan piirilevyn reikiin piikkirimat joihin kiinnitetään
lattakaapeli joten virhekytkentöjä ei tehdä juottamalla levyyn vaan lattakaapelin toiseen päähän.
Haussa on kytkentärimaa jolla lattakaapelit yhdistetään LPT-portin piikkeihin emolevyllä.
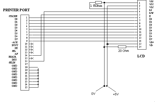
osoitteessa http://www.rautasaitti.com/artikkelit/viritys/lcd.shtml  löytyy sopivan yksinkertainen
kytkentäkaavio. Kuva ohessa:
kytkentä LCD-näytölle

Kuvassa olevia LCD puolen nastoja 15 ja 16 ei tässä tapauksessa kytketä, sillä ne ovat vain
taustavalaistuissa malleissa ja valoahan ei tässä paneelissa ollut.
Tehdään lisäksi virtaliitin jolla otetaan +5V jännite suoraan pc:n powerista.
Liittimet löytyy romulaatikosta. Moilasen Pekalta saadaan kytkentärimat.
Ylimääräiset 12V ja GND piuhat katkaistaan ja päät suojataan kutistesukalla.

Jännittävä tilanne lähestyy kun on aika kokeilla hässäkän toimivuutta.
Kaikki kytkennät tarkistetaan vähintään 50 kertaa ja sitten vielä kerran.
Jos paneelin käyttöjännite on kytkettynä väärään pinniin laite ottaa savut ja
se on sitten goobye aamen paneeli.

Pistetään pc:n virta päälle ja paneelissa näkyy neliöitä. Savua ei nouse eikä mikään
poksahda. Se on positiivinen asia. LCD on ainakin toimiva. Seuraavaksi siihen pitäisi saada
näkymään jotain järkevää. Havaitaan että näyttö onkin 2x24 merkkiä eikä 2x16 kuten aiemmin luulin.
Mpxplay.ini -tiedostosta muokataan rivejä joissa annetaan lcd-paneelille oikeat arvot eli merkkien määrä per rivi
ja rivimäärä. Tiedosto tallennetaan ja käynistetään softa.
Kas kummaa siinähän näkyy soitettavan yhtyeen nimi ylärivillä ja kappaleen nimi alemmalla rivillä sekä lisäksi
kappaleen kokonaiskesto.  Tosin pieni kosmeettinen haitta on skandit eli Ä on "myy" ja Ö on "epsilon" -merkki.
Sitä ongelmaa voidaan pohtia myöhemmin. Pääasia että jotain tekstiä näkyy.
 

26.02.2003  Kaikki samaan pakettiin...

Tarkoitus olisi mahduttaa osat pc-kotelon sisään ja pelti kiinni. Sinne ne menevät mutta sisälmykset näyttää
melko sotkulta. Teipattua pakettia ja irtonaisia piirilevyhässäköitä ja kaapeleita johon ei kättä uskalla laittaa.
Eksoottinen kokoonpano jonka huoltoa ei ole tarkoitettu peruskäyttäjän tehtäväksi. Ulkonäkö on kammoittava.
Etupahviin tehtiin rälläkällä reikä näyttöä varten ja nappulat irvistelee. Ei voi mitään.
Suunnitelmissa on kovalevyn siirtokehikon hommaaminen  jolla piisien siirto onnistuisi myös kätevästi.
Lisäksi tutkitaan mahdollisuuksia infrapuna-vastaanottimen rakentamiseksi ja kytkemiseksi laitteeseen.

Testataan laitteen toimintaa. Virran käynnistyessä käyttöjärjestelmä latautuu ja käynnistää soitto-ohjelman.
Jos mp3-cd-levy on asemassa, ohjelma skannaa levyn mutta soiton voi aloittaa heti painamalla playtä.
Play napista uudelleen painettaessa soiva kappale alkaa taas alusta.
Levyn vaihto onnistuu mukavasti. Soiva kappale ei katkea kun levykelkka avataan ja cd poistetaan.
Asetetaan uusi levy sisään ja painetaan reloadia kerran, niin seuraa muutaman sekunnin viive ja uusi levy
alkaa soimaan alusta. Kappaleenhaku nappulat toimivat myös noin sekunnin viiveellä.
Kuitenkin nopeammin kuin normaalissa cd-soitimessa. LCD paneelista näkyy soivan kappaleen tiedot
mutta ilman taustavalasitusta teksti on surkean heikosti luettavissa. Hämärässä sillä ei ole mitään virkaa.
Taustavalaistu paneeli olisi ollut parempi mutta semmoista kun ei ollut saatavilla muuten kuin kalliiseen 30 €:n hintaan.
Pikakelaus eteen ja taakse toimii mutta on käytännössä tarpeeton. Random -toiminto toimii myös eli kappaleita soitetaan
satunnaisjärjestyksessä, mutta hankaluutena on se että toiminnosta ei ole mitään tietoa onko se päällä vai ei. Ainoastaan
piisejä seuraamalla se selviää.

Tutkimukset jatkuvat...
 

11.03.2003  Kaukosäätöä toiveissa...

Väsättiin Mikrobitti 11/99:ssä olleen kytkinkaavion mukaan infrapunavastaanotin sarjaporttiin. Kytkentäkaavio
ohessa. Halvat osat. TSOP 1736 IR-moduuli maksoi 1.70 euroa. Kokeiltiin toimivuutta Philipsin, Sanyon ja Technicsin ja Oki:n
kaukosäätimillä mutta eipä toiminut. Asiaa tutkitaan.
mikrobitin ir-kytkentäkaavio

ohessa myös kuva laitteesta tällä hetkellä:
ruma mp3-Soitin
 
 

15.03.2003  Tutkimukset jatkuvat...

Joo...kaukosäätö systeemi ei ota toimiakseen. Tein kytkennän 2 kertaa ja molemmilla sama negatiivinen tulos.
Todennäkösesti IR-vastaanotin ei saa selvää lähetetystä pulssista. Jotain se kuitenkin vastaanottaa.
Koulukaveri Juhani Hietala oli aikoinaan rakentanut saman kytkennän ja saanut sen toimimaan
Onkyon kaukosäätimellä. Kokeiltiin siis samaista Onkyon kaukosäädintä mutta eipä toiminut.
Joten vika ei ole kaukosäätimessa. On tietysti mahdollista että regulaattori ei pysty vakavoittamaan
kunnolla +12V jännitettä mitä otetaan suoraan PC:n powerista.

Harkinnassa on myös ostaa LCD-näyttö jossa on taustavalaistus. 4-rivinen maksaa 32,50 € ja 2-rivinen 20 €.
4-rivinen tuskin tulee kyseeseen koska se on liian iso. Piirilevyineen sen korkeus on 60 mm joten se ei sovi
normaaliin asennuspaikan etulevyyn pc-kotelossa. 2-rivisen taustavalaisevan näytön hankkimista suunnitellaan
ainoastaan sitten kun kaukosäätö-ongelma on saatu hoidettua.
 

17.03.2003 Vähän jo helpottaa....

Joo... kaukosäätö ongelmat johtuivat virheestä Mikrobitin osasijoittelu kuvassa. Kytkentäkaavio on
oikein mutta sijoittelussa koekytkentälevyyn 47uF -konkka meni rinnankytkentään vastuksen R1 kanssa eikä maihin kuten
olisi pitänyt, joten siitä johtuen laite toimi miten sattui. Korjattiin kytkentä ja sitten alkoi hässäkkä pelata paremmin.
Kokeillaan DOSGIR -ohjelmaa, saisko sillä aparaatin tottelemaan jotain komentoja dosissa...

Mikkosen Tatu möi kovalevyn siirtokehikon joka pultataan koneeseen kiinni. Näin kappaleita voidaan
soittaa myös 3,5 gigan levyltä joka löytyy romulaatikosta. Kovalevy on osioitava kahteen FAT16 -osioon.
 

18.03.2003  Ei toimi, toimii, ei toimi...?

IR-vastaanotin toimi ainakin Windows XP:ssä Mikrobitin mbirvast-ohjelmalla jonka avulla ainakin Winampin
ohjaaminen sujui hyvin. Mutta nyt kun ei haluta windowsia vaan laite on saatava toimimaan Dosissa.
Dosgir-softa vaikutti koulussa lupaavalta mutta ei toiminutkaan kotona projektikoneessa vaan jumittaa koko
systeemin. Syy on tuntematon ja sitä ei jaksa jäädä murehtimaan.
Netistä etsitään uusi ISREMOTE   -softa. Kokeillaan sitä, mutta herjaa jotain virheitä. Kuitenkin käynnistyy
mutta ei lue Technicsin eikä Philipsin kaukosäätimen pulssia. Mutta Sanyo-videosäätimen koodia lukee.
Ohjelma näyttää tulkitut pulssit kahtena hexalukuna ruudun yläreunassa (esim. CE31 FE01). Readme-ohjeiden mukaan
kopioidaan säätimestä saadut hexakoodit editillä tiedostoon ja lisätään koodin perään keycode.lst-listasta haluttu
näppäimistö komento. Eli kaukosäätimen painallus simuloi näppäimistön painelua. Tallenetaan tiedosto nimellä isremote.dat.
Ohjelman ollessa käynnissä komentokehoitteessa kaukosäädin toimii kuten on asetettu, eli haluttuja merkkejä piirtyy ruutuun...

Kun taas käynnistetään varsinainen mp3-soittosofta, niin kaukosäätö ei toimikkaan. Kokeillaan monta tuntia säädellä kaikkea
mpxplay.ini -tiedostossa, mutta ei tulosta.
Muutetaan config.sys -tiedostoa siten että emm386.exe  muistinhallinta-ajuria ei ajeta käynnistettäessä. Se auttoi.
Nyt kaukosäätösofta toimii myös taustalla piisien soidessa.
Seuraavaksi onkin alettava pohtimaan tarvittavia ohjauskomentojen asetuksia. Sähläystä hexakoodien kanssa.

Lisäksi on kummallista että technicsin ja philipsin säätimet eivät toimineet is-remotessa, vaikka ne muilla softilla toimivat ok.
Sanyon-säädin on vähän kömpelö. Pannaan harkintaan ohjelmoitavan yleiskaukosäätimen hankinta...

Kuva kytkennästä, joka ei ole kovin monimutkainen:

kuva kytkennästä
 
 

20.03.2003  Kaikkea pientä räpellystä...

Säädettiin Sanyo-kaukosäätimen komennot vastaamaan tiettyjä näppäimistön painalluksia. Näin saadaan mpxplay
tekemään haluttuja toimintoja kaukosäätimellä. Normaaleiden kappaleenselaus ym toimintojen lisäksi kaukosäätimellä
voidaan nyt ohjata cd-aseman luukun avaus ja voluumin säätö, joka onkin hyödyllinen kun usein eri mp3-kappaleet on
pakattu eri voimakkuuksilla. Lisäksi kappaleita voi valita numeronäppäimillä, jos vain sattuu tietämään mikä numero on
mikäkin kappale? Muitakin käskyjä on mahdollista lisätä jos keksii jotain.
isremote.dat -tiedoston sisältö on seuraavanlainen:

;Sanyo B21403-kaukosäädin komennot ja mpxplay-soittimen toiminnot
CE31 FE01 48E0 ; ch/track oikea - seuraava piisi
CE31 FD02 50E0 ; ch/track vasen - edellinen piisi
CE31 EB14 47E0 ; play - play
CE31 EE11 52E0 ; pause - pause
CE31 EC13 4BE0 ; FF - seuraava hakemisto
CE31 ED12 4DE0 ; REW - edellinen hakemisto
CE31 BB44 53E0 ; reset - lataa levyt uudestaan
CE31 2AD5 4FE0 ; surround - satunnaissoitto
CE31 FB04 0231 ; 1
CE31 FA05 0332 ; 2
CE31 F906 0433 ; 3
CE31 F807 0534 ; 4
CE31 F30C 0635 ; 5
CE31 F20D 0736 ; 6
CE31 F10E 0837 ; 7
CE31 F00F 0938 ; 8
CE31 E31C 0A39 ; 9
CE31 E21D 0B30 ; 0
CE31 F40B 4E2B ; x2 - Lisää äänenvoimakkuutta - (+)
CE31 E51A 4A2D ; slow - vähentää äänenvoimakkuutta - (-)
CE31 A45B 186F ; on/off -nappi - avaa cd:n luukun.
 

Määritetään isremote käynnistymään aina autoexec.batissa. Isremoten komento on kirjoitettava melko alkuun ja soittimen batti
loppuun tai muuten remote-ohjelma ei ehdi lukea koodilistaa kokonaan ennenkuin playeri käynnistyy...
kake

Porataan reikä etupahviin ja kieroonhan sekin meni. Reiästä kurkistelee IR-moduuli. Kytkentä sijoitetaan tikkuaskiin ja
teipataan kotelon sisään pois tieltä ja lisätään kunnollinen virtaliitin pc-poweriin.
Kokeillaan siirtokovalevyn toimintaa. Kappaleet latautuvat huomattavasti nopeammin kuin cd:ltä.
LCD-näytössä vaikeasti sotkuna näkyneet Ä ja Ö kirjaimet saatiin muutettua näkymään A ja O kirjaimina.
Monitorissa ne saatiin näkymään jo ihan oikein.
MPXPLAY:stäkin olisi tullut uusin 1.47.6 versio jossa on bugikorjauksia ja parempi tuki lcd:lle ja muuta.
Suunnitelmissa on vaihtaa ohjelma jossain vaiheessa siihen. Tosin ini-tiedosto olisi silloin kirjoitettava uusiksi koska vanhaa ei voisi
enää siinä käyttää. Nyt ei kuitenkaan jaksa alkaa koko konffaus-hommaa alusta.
 

22.03.2003

Laite toimii nyt varsin hyvin. 3,5 gigan siirtokovalevyyn mahtuu yli 1000 piisiä joiden soittoaika on n. 48 tuntia.
Kovalevylle kopioidaan ensin toisessa koneessa ne kappaleet joita soitetaan eniten koska se saa osiojaossa
kirjaimet D ja E ja cd:lle jää F-kirjain. Tämä johtunee siitä että siirtolevy on primary-IDE-väylän slavena ja
CD-asema secondaryn master. Joten kovalevyn kappaleet ladataan ja soitetaan ensin jos soitetaan järjestyksessä
alusta. Soitin voidaan käynnistää myös ilman siirtokovoa ja silloin cd:n tunnus on D. Käynnistys battiin voidaan kuitenkin
kirjoittaa skannatavaksi asemat d, e ja f. Jos kovalevy ei ole paikallaan tai cd ei ole asemassa niitä ei vain silloin lueta.
Näyttää ohjelma toimivan ja se on hyvä homma. Soitettavien kappaleiden ID3-tagit eli kappaleiden tiedot on kirjoitettava
valmiiksi ja nimenomaan tagi ID3v1 on oltava kunnossa tai näytössä näkyy ainoastaan tiedoston dos-lyhennetty nimi.
(esim.  MOTORH~1.MP3 jos kappaleen nimi kokonaisuudessaan on Motorhead - dr. love.mp3).
Tähänkin voisi olla ratkaisu muuan apuohjelma. Ko. softa on LFN-support for DOS (Long file names) tosin se olisi vaatinut
toimiakseen DOS-versiota 7.0 jota ei saa kuin windows 95:n mukana. Joten jääköön nyt se tällä kertaa.

Nyt kun kaikki toimii ok voidaan alkaa harkita ulkonäköön jotain pientä make-uppia. Nykyisellään rakkine on ikävän
näköinen ja ei houkuttele nippelikammoista vaimoväkeä ihastelemaan itseään. Mm taustavalaistu LCD-näyttö toisi
professioonaalisempaa tatsia. Irvistelevien rakojen ja epämääräisten reikien paikkaaminen jollain täyteaineella
ja koko etupahvin maalaminen kultamaalilla voisi korjata tilannetta jonkun verran. Tosiasia on kuitenkin se että
omatekemät laitteet näyttää aina karuilta ja omatekemiltä. Kun ei ole varaa mihinkään desing-budjetteihin ja osat on revittävä
sieltä mistä ne saa irti ilmaiseksi.
Sisäinen kaaos onkin sitten toinen asia. Esim. etupaneelin näppäimien mukana raahautuva kalvo ja piirilevy on hieman
vierailla vesillä kotelon sisällä. Näitä ei saatu oikein millään sijoitettua mitenkään järkevästi joten ne oli teipattava vain
yhteen kasaan. Lisäksi näppäimistön DIN-kaapeli oli teipattava peltirakenteisiin.
LPT-portista LCD-näytölle menevä lattakaapelin kytkin rima on myös teipillä kasattu möykky jolle ei löydy
hyvää paikkaa. Nyt se roikkuu c-kovalevyn takana. Muutenkin tilanahtaus on huomattava kun virtalähde sijaitsee
levyasemapaikkojen takana ja tilaa kaapeleille on pari senttiä. IR-vastaanotin moduuli ja piirilevy sopivat kuitenkin
ihan mukavasti kotelon nurkkaan.
 

27.03.2003  Näyttö kokee valaistuksen...

Ostettiin SP-Elektroniikasta taustavalaiseva LCD-paneeli. Hinta oli 19.30 euroa ja oli melkein kalliimpi kuin koko
koneen muiden osien hinta yhteensä. Taulu ei näytä kuin 2x16 riviä joten pitkät nimet eivät näy kokonaan.
Leveämpiä paneeleja taustavaloilla ei näytä löytyvän koko maapallolta. Tietysti olisi ollut 4x20 rivinen mutta
se oli fyysisesti liian iso mahtuakseen mitenkään järkevästi tähän kokoonpanoon.
Tähän uuteen paneeliin päätettiin tehdä kokonaan uudet kytkennät kunnon kaapelilla ja liittimillä jotka ei roiku
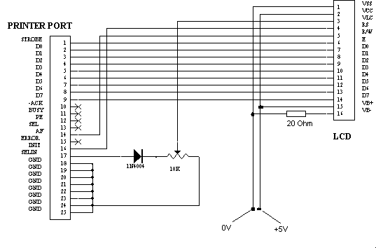
hävettävästi. Rautasaitilta kopioitiin oheinen kaavio malliksi:

Kytkentä poikkeaa aikaisemmasta virityksestä siten että LPT-portin päähän asetetaan
10 k trimmeri nastojen 17 ja maana toimivien nastojen 18-25 väliin. Trimmerin "kärki" yhdistetään
LCD:n nastaan 3. Lisäksi trimmerin ja 17 väliin tulee diodi joka omassa kytkennässä on eri
tyyppinen kuin kuvassa oleva 1N4004 mutta ehkäpä se ajaa asiansa. Diodi kuin diodi.
Trimmerin tarkoitus oli ilmeisesti säätää näytän kontrastia mutta käytännössä se on
turha sillä sen on oltava ääriasennossa että teksti on luettavaa. Komponentit tungettiin
Rinnakkaisliittimen kotelon sisään.
LCD puolella nastat 2 - 15 ja 1 - 16 yhdistetään hyppylangalla ja siitä pc:n powerin +5V lähtöön.
SP-Elektroniikka suositteli taustavalo ledien eteen 3,9 ohmin /3W vastusta. Kaaviossa taas on
20 ohmia. Asennettin siihen 6.9 ohminen kun ei muuta löytynyt kaapista ja tomiihan se silläkin.
Paneeliin juotettiin piikkirimat ja johtimiin asennettiin lattakaapeliliitin.
Nyt musainformaatio näkyy myös pimeässä. Toisaalta valo on vieläkin hieman
liian kirkas ja tekstistä ei saa selvää yläviistosta katsottaessa. Noilla vastusten arvoilla voisi olla
vaikutusta asiaan. Tutkitaan asiaa...
Ohessa kuvat tehdyistä kytkennöistä ja liittimistä:

lcd-kytkentä rinnakaisliittimessälcd-kytkentä paneelissa
 
 

02.04.2003 Make-uppia ja faceliftiä naamaan...

Eipä se muuttunut lcd-näytön katsekulma yhtään paremmaksi vaikka eri komponenttiarvoja kokeiltiinkin.
Annetaan olla tällä tavalla. Tarviiko sitä piisi-informaatiota muutenkaan kukaan.
LCD-paneelille sahaillaan uusi etupahvi ja se on mission impossible. On yllättävän vaikia saada reikiä edes
suoraan. Ruuvit saatiin kuitenkin jotenkin pitämään näytön paikoillaan. Julkisivupuolen reiät ja irvottavat
rakoset tukitaan teipillä, purkalla ja plastik paddingilla.

Nyt laitteen ohjelmisto listaa ensin kovalevyn ja sitten cd:n kappaleet. Halutaan niin että ensin luetaan cd ja
kovalevy viimeisenä. CD-asema on nyt kirjaintunnuksella F kun kovalevyn osiot ovat D ja E.
Ohjelma lukee näköjään asemat aakkosjärjestyksessä ja siihen ei auta mikään ohjelman sisäinen konfigurointi.
CD-aseman ajureita muokkaamalla yritettiin muuttaa kirjainta mutta ei jostain syystä onnistunut.
Joten Autoexec.batiin lisätään komentorivit SUBST G: D:\ ja SUBST H: E:\. Tämä muuttaa asemat D ja E virtuaali-
asemiksi G ja H, joten nyt ohjelma lukee ensin mahdollisen cd:n ensin. Jos cd:tä ei ole asemassa niin soitetaan
pelkästään kovalevyn piisit. Ohjelmän käynnistysparametreihin määrätään luettavaksi levyt f, g ja h.
Tämä järjestely vaatii kuitenkin että siirtokovalevy on oltava aina käytettäessä koneessa kiinni.
Jos siirtolevy irroitetaan, niin cd-asema muuttuu kirjaimelle D ja silloin mitään piisejä ei ladata ennenkuin
parametrit muutetaan ja se on turhan vaivalloista. Joten tähän on nyt tyytyminen.
 

03.04.2003 Maalia pintaan, hanskat naulaan ja kaljan ostoon....

Joo nyt enää etupaneelin maalaus uusiksi niin koko aparaaatti on kohta valmis markkinoille.
Kultamaali ei tunnu enää hyvältä joten väriksi valitaan mattamusta. Kaikki hutastaan sprayllä mustaakin
mustemmaksi. CD-aseman maskimuovit on irroitettava maalausta varten että maali ei sotke laitteen sisuksia.
Nappulatkin maalataan, ainoastaan päävirtakatkaisija jätetään punaiseksi.
Mattapintainen musta imee itseensä kaikki heijastukset joten pinnan pienet virheet eivät paljastu
kuin läheltä tarkasteltuna. Ulkoasu on aika synkkä mutta se ei haittaa, sillä synkkää on musakin ja
maailma on muutenkin aika kamala paikka johon tommonen masiina sopii mainiosti.

Koko laitteen hinnoittelu on vähän vaikeaa, mutta rahaa meni seuraavasti:
PC:n peruskomponentit prossu, emo, muistit ja virtalähde maksoivat yhteensä. 2 euroa kierrätyskeskuksesta.
cd-asema ja kovalevy, näppikset ym. löytyivät omasta ylijäämäkasasta ja ne maksanu käytännössä mitään.
Kotelo oli ilmainen. IR-moduuli maksoi 1.70 euroa. Muut osat löytyi laatikosta. Ensimmäisen rikotun
LCD:n vaihdoin vanhaan äänikorttiin. Kovalevyn siirtokehikko maksoi 10€ ja ja taustavalaistu LCD 19.30 €.
Spray-maalipurkki 3€ ja plastik padding 5€. Lisäksi oli jotain liittimiä ym. pientä.

Ohessa kuvia laitteesta:

                                      
 
 
 
 
 

Tähän hommaan meni reilut puoli vuotta. Hauskaakin on ollut mutta pääasiassa ahistavaa
hommaa. Tuli havaittua että suunnittelu on vaikeaa puuhaa. Yksinkertaisen käyttöliittymän teko
ei ole helppo homma jos ominaisuuksia ei haluta karsia. Epäonnistumisiakin tuli, kuten ensimmäisen
näppäimistön ja lcd-näytön hajottaminen. Kaikki tavoitteet kuitenkin saavutettiin vähintään tyydyttävästi.
Toisen samanlaisen laitteen tekeminen ei kestäisi näin kauan. Jättäisin ainakin etupaneelin näppäimet pois
kokonaan ja kotelointiin voisi panostaa enemmän. Sen näkee sitten jaksaako semmosta ihan heti tehdä....
Kysymyksiä ja kommentteja voi lähettää: projekti@nobody99.com
 

Kiitokset tämän projektin edistymisestä seuraaville henkilöille tasapuolisesti:

Heikki Salomäki
Petri Saransalmi
Janne Laitinen
Raimo Juola
Juhani Hietala
Tatu Mikkonen
Pekka Moilanen
Pauli Siliämaa
 
 
 
 
 
 
 
 

LINKIT:    ( kaikki eivät välttämättä enää toimi....)

mpxplay -mp3 soittosofta: http://www.geocities.com/mpxplay/

LCD-infoa:  http://www.sci.fi/~pri/lcd.htm

http://www.rautasaitti.com/artikkelit/viritys/lcd.shtml
 

MUIDEN MP3-PROJEKTEJA:

http://www.mp3projects.com/

http://www.geocities.com/SiliconValley/Peaks/9546/player/

http://amp.mp3car.com/intro.html

http://www.quisquose.com/mp3-cd-player.htm

http://www.qsl.net/ke5fx/cplayer.html

http://www.car-mp3.de/

http://www.prog-tech.co.uk/html/mp3_player.html

http://www.sdf.se/~dj/

http://mpxplayer.8m.com/

http://users.pandora.be/subsonik/mp3player/

http://www.sarahemm.net/media.box/

http://kotisivu.mtv3.fi/jannenrojektisivut/mp3.html
 
 
 
 
 
 
 
 
 
 
 
 
 
 

Päivitetty: 08.04.2003 klo 21.25